Published:2011/5/5 2:54:00 Author:Joyce | Keyword: Using NE555 Skillfully as, Linear, Capacitance, Tester | From:SeekIC

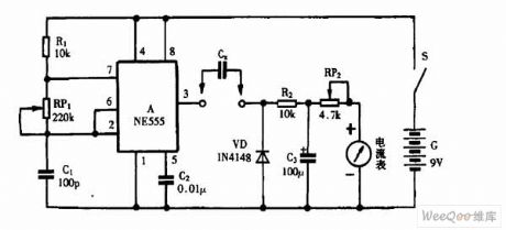
Using NE555 Skillfully as Linear Capacitance Tester Circuit
Reprinted Url Of This Article:
http://www.seekic.com/circuit_diagram/Electrical_Equipment_Circuit/Using_NE555_Skillfully_as_Linear_Capacitance_Tester_Circuit.html
Print this Page | Comments | Reading(3)
Code: