Published:2009/6/24 21:44:00 Author:Jessie | From:SeekIC

Reprinted Url Of This Article:
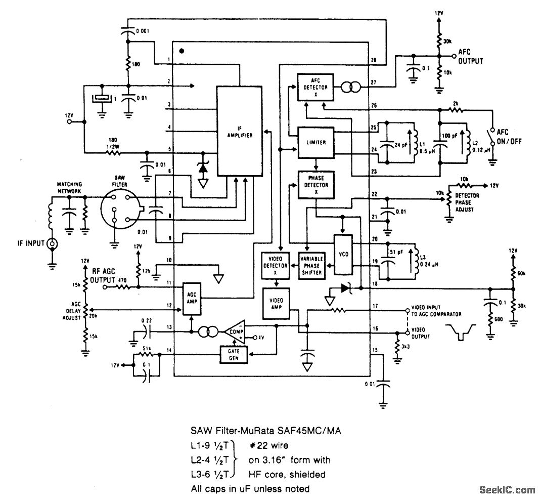
http://www.seekic.com/circuit_diagram/Electrical_Equipment_Circuit/VIDEO_IF_AMPLIFIER_DETECTOR.html
Print this Page | Comments | Reading(3)
Code: