Published:2009/7/14 21:47:00 Author:Jessie | From:SeekIC

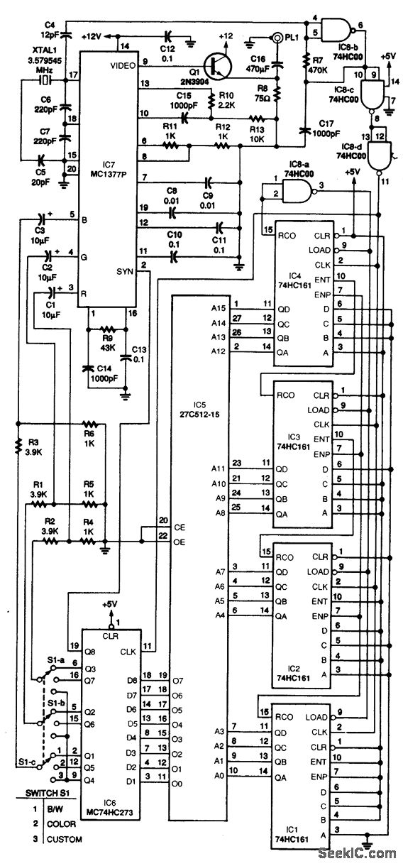
A 3.58-MHz clock drives a counter chain, which addresses a preprogrammed EPROM, to generate a complete NTSC sync and video waveform. The EPROM can be programmed for various test patterns as required. A switch provides a choice of a checkerboard pattern, a color bar pattern, or a custom pattern. The total number of pixels in the custom pattern is 43,605. Each pixel can be programmed to one of the eight colors in the color bar pattern. The color signal is formed in the MC1377 encoder chip from the RGB digital inputs. The composite video out at PL1 is 2.5 V p-p.
Reprinted Url Of This Article:
http://www.seekic.com/circuit_diagram/Electrical_Equipment_Circuit/VIDEO_PATTERN_GENERATOR.html
Print this Page | Comments | Reading(3)
Code: