Published:2011/8/11 20:13:00 Author:Ecco | Keyword: Visitors identifying, electronic doorbell | From:SeekIC

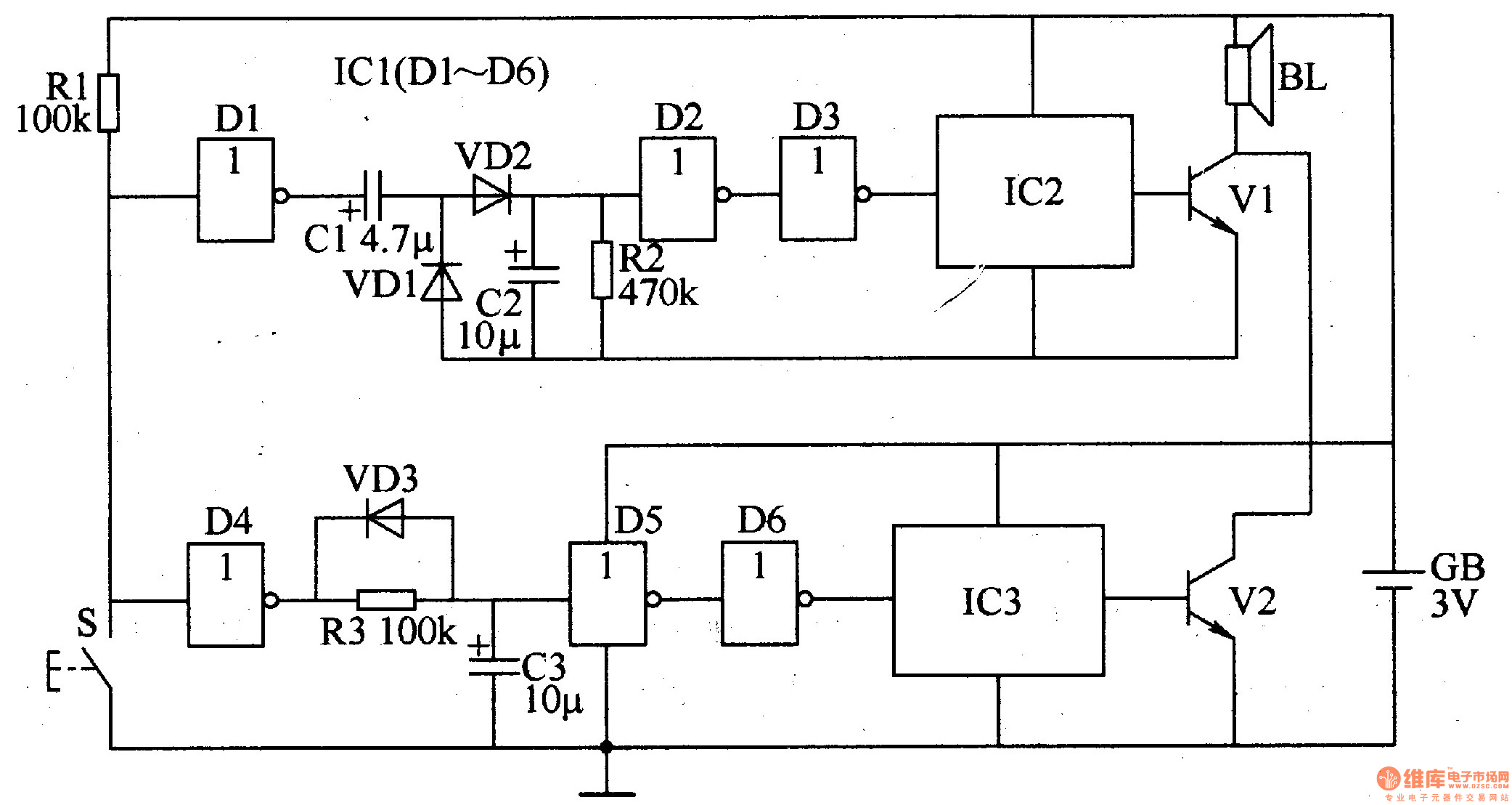
The electronic doorbell circuit is composed of the short pulse identification circuit, long pulse identification circuit and circuit music generating circuit, amd it is shown in Figure 3-120. Short pulse identification circuit consists of the NOT gates D1-D3 which are inside of the six NOT gate integrated circuit ICl, resistors C1, C2 and diodes VD2, VDl. Long pulse identification circuit consists of the NOT gates D4-D6 which are inside of the ICl, resistor R3, diode VD3 and capacitor C3. Music generating circuit consists of the music integrated circuits IC2, 1C3, audio amplification tube Vl and V2, speaker BL and so on. S is the doorbell button. R1 is the current limiting resistor.
Reprinted Url Of This Article:
http://www.seekic.com/circuit_diagram/Electrical_Equipment_Circuit/Visitors_identifying_electronic_doorbell.html
Print this Page | Comments | Reading(3)
Code: