Published:2009/7/23 21:09:00 Author:Jessie | From:SeekIC

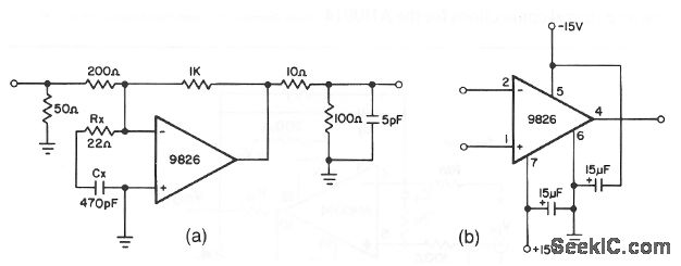
This circuit shows a 9826 used in an application where high speed at a relatively low gain is required (a gain of 5 in this case). Rx and Cx form a lead/lag network between the inverting and noninverting inputs. With the values given, this circuit can operate comfortably at frequencies of 20 MHz. If a lower gain is needed (gain less than 5), connect a 1- to 5-pF capacitor between the output and inverting input to aid in suppressing parasitic oscillations. The 100-Ω 5-pF filter at the output has a damping effect to help suppress signal overshoot. Figure 3-54B shows external connections for the 9826.
Reprinted Url Of This Article:
http://www.seekic.com/circuit_diagram/Electrical_Equipment_Circuit/Wideband_amplifier_for_test_equipment_applications.html
Print this Page | Comments | Reading(3)
Code: