Published:2009/6/17 2:06:00 Author:May | From:SeekIC

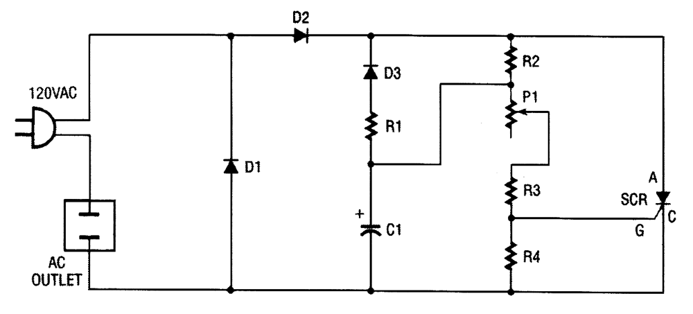
You can turn any ordinary household bulb into one that shimmers or blinks. This circuit works on any incandescent light up to 200 W, and runs on standard 120 Vac. The circuit uses an SCR to cause an ordinary lamp to shimmer. Note that one side of the lamp is connected directly to 120 Vac, and the other side of the lamp goes to the cathode of the SCR. As ac voltage is brought into the circuit through the line cord, it is full-wave rectified by diodes Dl and D2. That changes the ac to dc, and a portion of that dc voltage is applied to capacitor C1 through R2. Diode D3 blocks the (+) dc voltage so that only the voltage from the path of RI and D3 is clear. That forms an oscillator, which has a frequency de-termined by the setting of potentiometer PI (because the other components have fixed values).Remember to use extreme caution when using a device that connects to the ac line. Never use it outside or near water and always mount the entire kit inside a wooden or plastic (insulated) box to prevent any contact with the ac voltage.
Reprinted Url Of This Article:
http://www.seekic.com/circuit_diagram/LED_and_Light_Circuit/120_ac_SHIMMERING_LIGHT.html
Print this Page | Comments | Reading(3)
Code: