Published:2009/7/2 22:43:00 Author:May | From:SeekIC

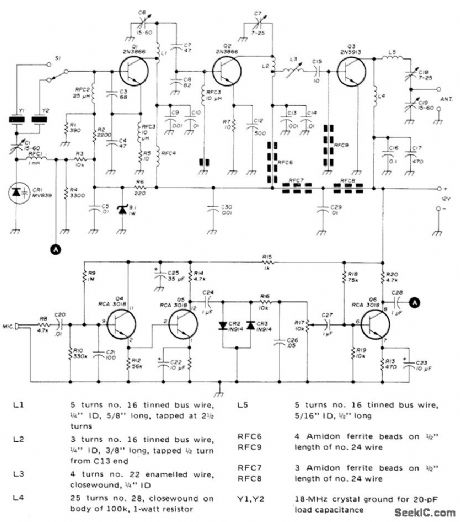
Low-power circuit was developed for use with double-conversion continuous-tuning FM receiver suitable for either fixed or mobile communication on 2-meter amateur band. Q4-Q6 are part of RCA CA3018 IC. Power output with 12-V supply is about 1.5 VV. Two crystals are selected by slide switch; tuning can be compromised to use crys-tals whose 2-meter outputs are 1 MHz apart.Article also gives all circuits for receiver.-J. H.Ellison, Compact Package for Two-Meter FM, Ham Radio, Jan. 1974, p 36-44.
Reprinted Url Of This Article:
http://www.seekic.com/circuit_diagram/LED_and_Light_Circuit/144_MHz_FM_TRANSMITTER_.html
Print this Page | Comments | Reading(3)
Code: