Published:2009/6/30 23:48:00 Author:May | From:SeekIC

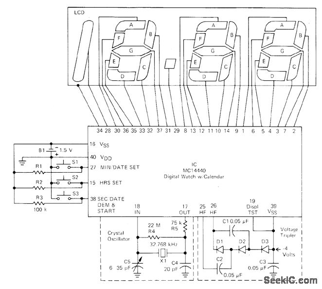
Will operate over 1 year on single 1.5-V AAA battery with accuracy of ±1 min. Basic timekeeping functions are provided by Motorola MC14440 CMOS device that includes calendar. 32.768-kHz NT-cut quartz crystal and trimming capacitor provide reference fre-quency. Output of 1.5-V alkaline cell is increased to 4 V for display by voltage tripler using MBD101 Schottky diodes.-J. Roy and A. Mou-ton, A Cordless, CMOS, Liquid-Crystal Display Clock, Motorola, Phoenix, AZ, 1977, EB-56.
Reprinted Url Of This Article:
http://www.seekic.com/circuit_diagram/LED_and_Light_Circuit/15_V_LCD.html
Print this Page | Comments | Reading(3)
Code: