Published:2013/7/22 20:13:00 Author:muriel | Keyword: 220 Volts , Flashing Lamp | From:SeekIC

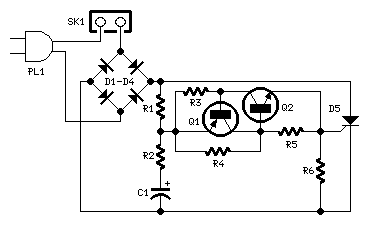
Parts:R1 100K 1/4W ResistorR2,R5 1K 1/4W ResistorsR3,R6 470R 1/4W ResistorsR4 12K 1/4W ResistorC1 1000µF 25V Electrolytic CapacitorD1-D4 1N4007 1000V 1A DiodesD5 P0102D 400V 800mA SCRQ1 BC327 45V 800mA PNP TransistorQ2 BC337 45V 800mA NPN TransistorPL1 Male Mains plugSK1 Female Mains socket
Device purpose:This circuit is intended as a reliable replacement to thermally-activated switches used for Christmas tree lamp-flashing. The device formed by Q1, Q2 and related resistors triggers the SCR. Timing is provided by R1,R2 & C1. To change flashing frequency don't modify R1 and R2 values: set C1 value from 100 to 2200µF instead.Best performances are obtained with C1=470 or 1000µF and R4=12K or 10K. Due to low consumption of normal 10 or 20 lamp series-loops intended for Christmas trees (60mA @ 220V typical for a 20 lamp series-loop), very small and cheap SCR devices can be used, e.g. C106D1 (400V 3.2A) or TICP106D (400V 2A), this last and the suggested P0102D devices having TO92 case.
Important Note:For proper operation it's absolutely necessary to employ high Gate-sensitive SCRs.If you are unable to find these devices you can use Triacs instead. In this case the circuit operates also with relatively powerful devices. A recommended Triac type is the ubiquitous TIC206M (600V 4A) but many others can work.Note that in spite of the Triac, diode bridge D1-D4 is in any case necessary.
This circuit was awarded with publication in ELECTRONICS WORLD Circuit Ideas , June 2000 issue, page 458
Reprinted Url Of This Article:
http://www.seekic.com/circuit_diagram/LED_and_Light_Circuit/220_Volts_Flashing_Lamp.html
Print this Page | Comments | Reading(3)
Code: