Published:2009/7/1 23:15:00 Author:May | From:SeekIC

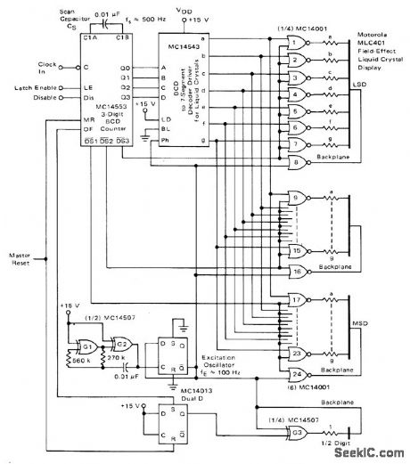
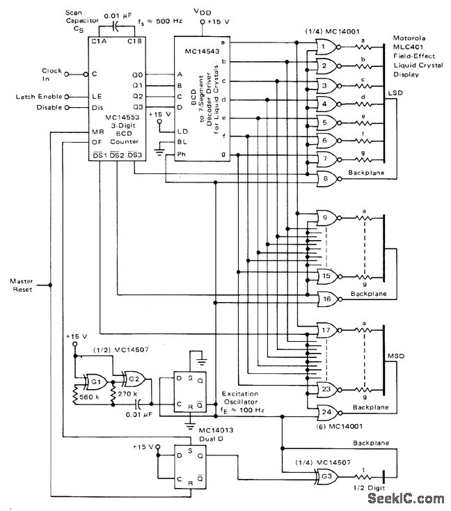
Uses MLC401 field-effect liquid crystal display, which is more suitable for multiplexing than dynamic-scattering LCD. Counters, latches, multiplexet, and scan circuits are all inMC14553 3-digit BCD counter whose outputs feed MC14543 decoder and driver for display. Excitation frequency of 100 Hz is derived from square-wave oscillator G1-G2 having exactly 50% duty cycle. Scan frequency is about 500 Hz, giving display refresh rate of 170 Hz, which is well beyond detectable flicker rate.-A. Pshaenich, Interface Considerations for Numeric Display Systems, Motorola, Phoenix, AZ, 1975, AN-741, p 6.
Reprinted Url Of This Article:
http://www.seekic.com/circuit_diagram/LED_and_Light_Circuit/31_2_DIGIT_MULTIPLEXED_LCD.html
Print this Page | Comments | Reading(3)
Code: