Published:2009/6/15 23:15:00 Author:May | From:SeekIC

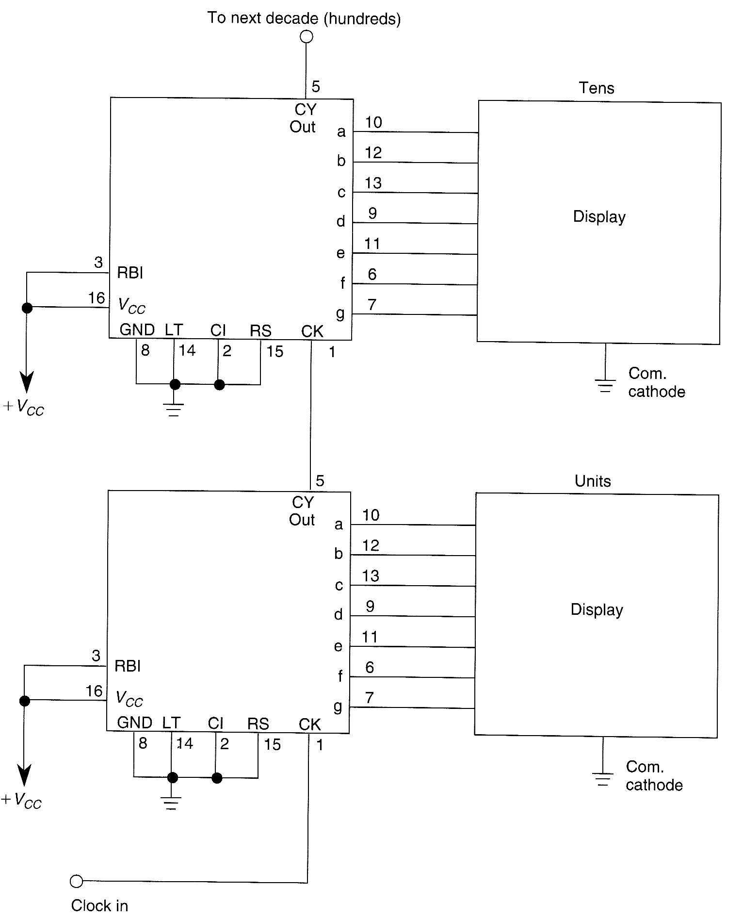
TO drive two or more common-cathode displays two or more 4033 decode counters can be cascaded
Reprinted Url Of This Article:
http://www.seekic.com/circuit_diagram/LED_and_Light_Circuit/4033_DISPLAY_CIRCUITRY_COMMON_CATHODE.html
Print this Page | Comments | Reading(3)
Code: