Published:2009/7/14 3:02:00 Author:May | From:SeekIC

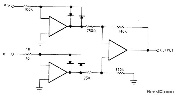
Uses Optical Electronics 2457 logarithmic module containing two pairs of bipolar log elements and three opamps. Connection shown produces pure tog10 function on positive inputs. Zero point is set by R2 or by reference e. Reference must be positive for pos-tive logs and negative for negative logs. Trim 110K resistors for exactly 10-V output,- Two-Decade Precision Logarithmic Amplifior, Optical Electronics, Tucson, AZ, Applicatlon Tip 10212.
Reprinted Url Of This Article:
http://www.seekic.com/circuit_diagram/LED_and_Light_Circuit/40_dB_LOGAMP.html
Print this Page | Comments | Reading(3)
Code: