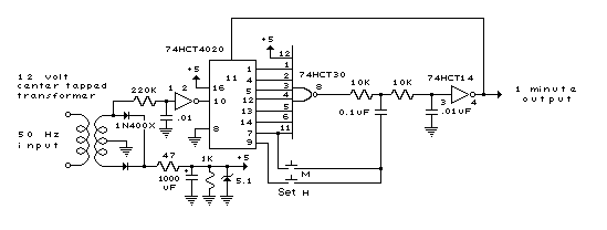
Published:2012/10/22 1:13:00 Author:muriel | Keyword: 50 Hertz , LED Clock , Timebase | From:SeekIC

Reprinted Url Of This Article:
http://www.seekic.com/circuit_diagram/LED_and_Light_Circuit/50_Hertz_LED_Clock_Timebase.html
Print this Page | Comments | Reading(3)
Code: