Published:2009/7/6 4:35:00 Author:May | From:SeekIC

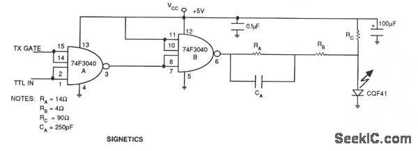
The pull-up transistor of the totem-pole output is used to turn on the LED and the pull-down transistor is used to turn off the LED. The lower impedance and higher current handling capability of the saturated pull-down transistor is used as an effective method of transferring the charge from the LED's anode to ground as its dynamic resistance increases during turn-off. The slightly higher output impedance of the pull-up stage ensures that the LED is not over peaked during the less difficult turn-on transition. This asymmetric current handling capability of the output stage with its variable impedance substantially reduces the pulse-width distortion and long-tai]ed response. As the signal propagates through two NAND gates, each transition passes through the high-to-low and low-to-high transition once, normalizing the total propagation delay through the circuit.
Reprinted Url Of This Article:
http://www.seekic.com/circuit_diagram/LED_and_Light_Circuit/50_Mb_s_FIBER_OPTIC_LED_DRIVER_.html
Print this Page | Comments | Reading(3)
Code: