© 2008-2012 SeekIC.com Corp.All Rights Reserved.
Published:2012/10/22 1:14:00 Author:muriel | Keyword: 60 Light Sequencer, Matrix | From:SeekIC

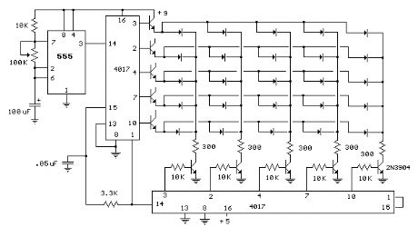
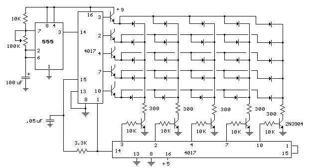
The circuit below illustrates using a 10x10 matrix to sequence up to 100 LEDs with just three ICs and 20 transistors. The two 4017 decade counters control the 10 rows and 10 columns so that one LED is selected depending on the output of the decade counters.
The LED circuit is drawn showing 25 LEDs and 10 transistors but can be expanded up to a 100 by using sucessive stages of the 4017 counters.
For example, to expand the circuit to 60 LEDs for displaying minutes or seconds of a clock, the rows counter could be reset from pin 12 (carry out) rather than pin 1 as shown, and the columns counter will be reset from pin 5 rather than pin 1 as shown. And then add transistors to pins 1,5,6,9,and 11 of the rows counter and pin 1 of the columns counter. Take a look at the 10 Stage LED Sequencer for a listing of all the connections of the 4017 decade counter.
Reprinted Url Of This Article:
http://www.seekic.com/circuit_diagram/LED_and_Light_Circuit/60_Light_Sequencer_using_a_Matrix.html
Print this Page | Comments | Reading(3)
Response in 12 hours
© 2008-2012 SeekIC.com Corp.All Rights Reserved.
Code: