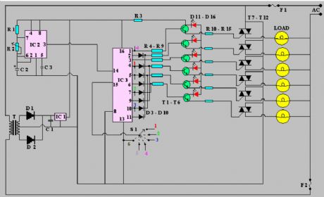
Published:2012/10/29 1:38:00 Author:muriel | Keyword: 6 Channel, Auto Reverse Sequential, Disco Running Lights | From:SeekIC

Reprinted Url Of This Article:
http://www.seekic.com/circuit_diagram/LED_and_Light_Circuit/6_Channel_Auto_Reverse_Sequential_Disco_Running_Lights.html
Print this Page | Comments | Reading(3)
Code: