Published:2009/7/1 5:39:00 Author:May | From:SeekIC

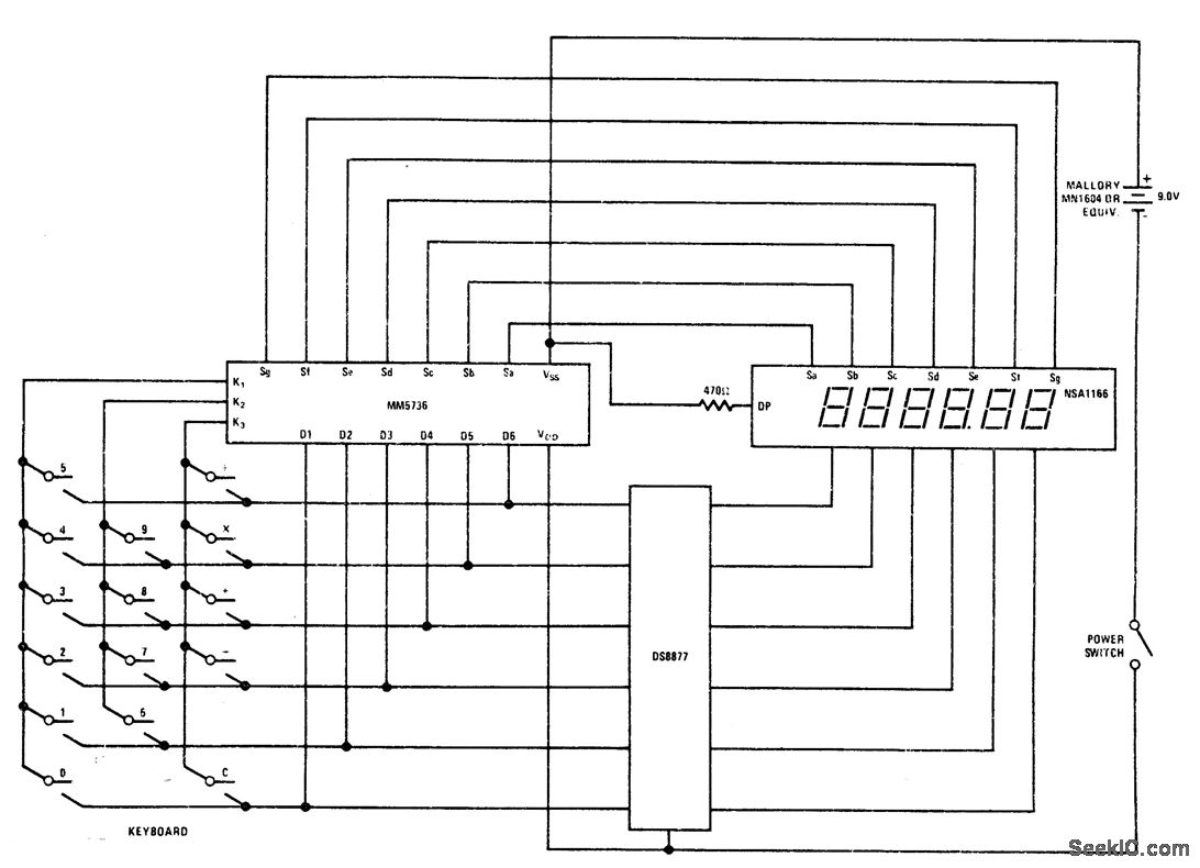
National DS8877 drive is shown in configuration for use with 6-digit calculator Digit current is in range of 5-50 mA,Driver requires no standby power and operates from either 4.5 V, 6 V, or 9 V.- Interface Databook National Semiconductor,Santa Clara,CA,1978, p 5-52-5-53.
Reprinted Url Of This Article:
http://www.seekic.com/circuit_diagram/LED_and_Light_Circuit/6_DIGIT_LED_DRIVER.html
Print this Page | Comments | Reading(3)
Code: