Published:2009/6/30 23:39:00 Author:May | From:SeekIC

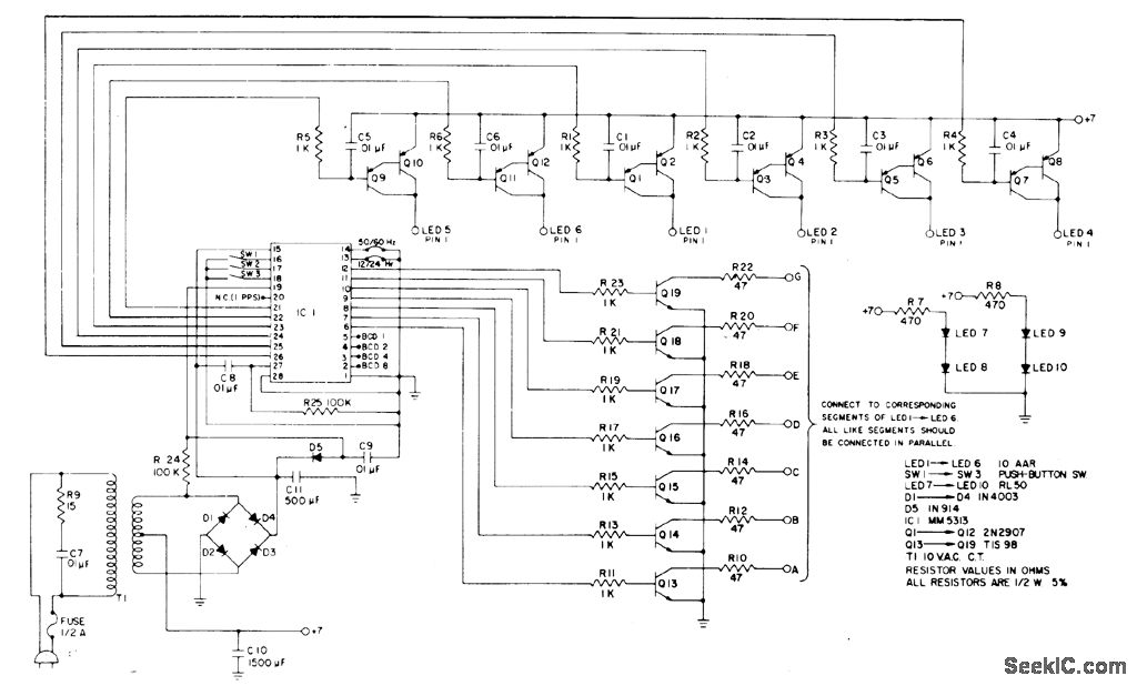
National MM5313 PM05 digital clock IC drives display which includes four discrete LEDs mounted on readout panel to form colons between hours, minutes, and seconds. AC supply provides 14 VDC for IC and 7 VDC for displays. Hold push-button SWt stops count to give precise seconds setting. Slow-slew button SW2 advances time at 1 min/s for precise setting, and fast-slew but-ton SW3 advances time 1 h/s. Digit drivers Q1-Q12 are Darlington-connected pairs of PNPtran-sistors. Segment drivers Q13-Q19 are single PNP transistors.-M. S. Robbins, Electronic Clocks and Watches, Howard W. Sams, Indi-anapolis, IN, 1975, p 103 and 113.
Reprinted Url Of This Article:
http://www.seekic.com/circuit_diagram/LED_and_Light_Circuit/6_DIGIT_LED_WITH_SLEW_BUTTONS.html
Print this Page | Comments | Reading(3)
Code: