Published:2009/6/25 1:50:00 Author:May | From:SeekIC


Reprinted Url Of This Article:
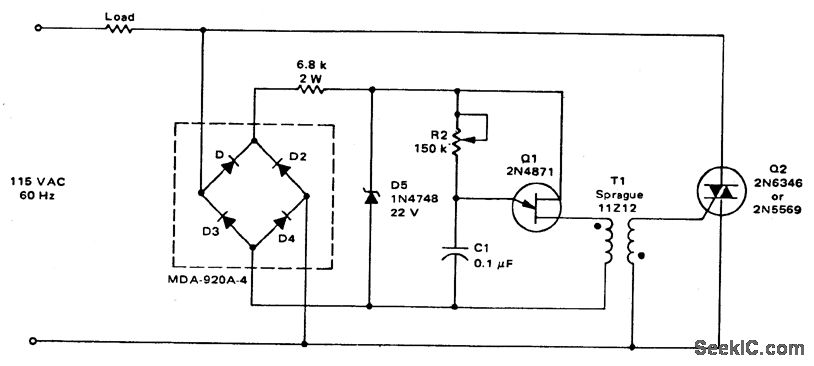
http://www.seekic.com/circuit_diagram/LED_and_Light_Circuit/800_W_TRIAC_LIGHT_DIMMER.html
Print this Page | Comments | Reading(3)
Code: