Published:2009/7/20 22:12:00 Author:Jessie | From:SeekIC

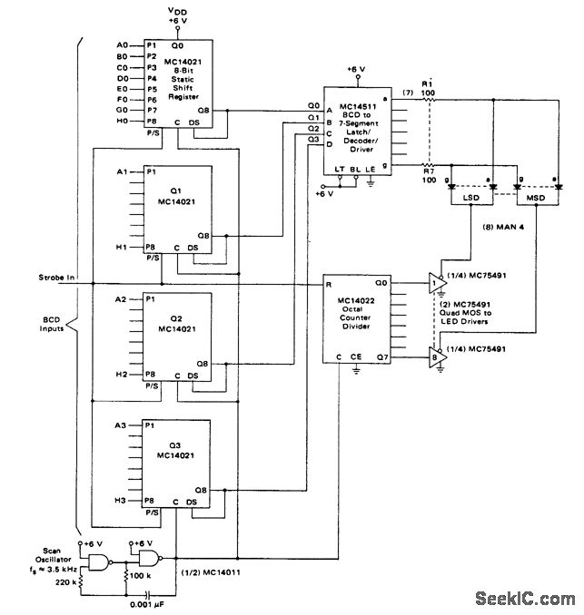
8-digit multiplexed LED (courtesy Motorola Semiconductor Products Inc.).
Reprinted Url Of This Article:
http://www.seekic.com/circuit_diagram/LED_and_Light_Circuit/8_DIGIT_MULTIPLEXED_LED.html
Print this Page | Comments | Reading(3)
Code: