Published:2009/7/14 22:31:00 Author:Jessie | From:SeekIC


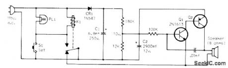
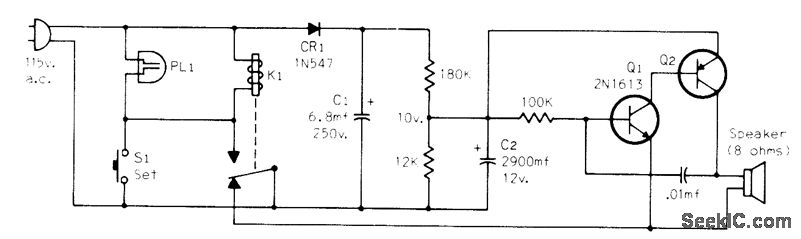
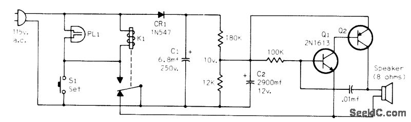
Audio oscillator coupled to simple relay circuit gives alerting tone when power fails even momentarily. C2 determines duration of tone. With 2900 μF, tone lasts about 1 s, as warning that clocks will need resetting, Q2 is any PNP audio power transistor, K1 is 115-V SPDT relay, and PL1 is neon lamp.-J. R. Nelson, Some Ideas for Monitoring A.C. Power Lines, CQ, July 1973, p 56.
Reprinted Url Of This Article:
http://www.seekic.com/circuit_diagram/LED_and_Light_Circuit/AUDIBLE_LINE_MONITOR.html
Print this Page | Comments | Reading(3)
Code: