Published:2009/7/9 5:26:00 Author:May | From:SeekIC

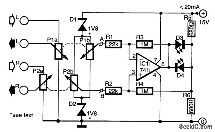
If your amplifier is fitted with two level controls, it actually offers you a balance control and a level control. A drawback of this is that it is quite difficult to set the balance properly. This can be obviated, however, by replacing the two monopotentiometers with stereo versions P1 and P2 in the diagram.
One half of the pair, P1A and P2A, assumes the tasks of the removed components. The other half is connected in a bridge circuit. The voltage between wipers of the potentiometers is then a measure of the balance between the two channels. The lower the potential, the better the balance. If you are interested in knowing the degree of unbalance, connect a center-zero moving coil meter with a bias resistor between A and B. With this arrangenient, zener diodes Dl and D2 can be omitted: they are necessary only with the LED indicator shown in the diagram to prevent the input voltage of the op amp from getting too close to the level of the supply voltage.
The circuit around IC1 is a classical differential amplifier. Resistors R5 and R6 provide a virtual earth for the LEDs, which is necessary to ensure that, in spite of the asymmetrical supply voltage, a positive and a negative output is obtained.
Because the LEDs have been included in the feedback loop of the indicator, the circuit is pretty sensi-tive. At only 40 mV, that is, just 1/400 of the supply voltage, one of the LEDs begins to light. The maximum current drawn by the LEDs is determined by the values of R5 and R6.
Reprinted Url Of This Article:
http://www.seekic.com/circuit_diagram/LED_and_Light_Circuit/BALANCE_INDICATOR.html
Print this Page | Comments | Reading(3)
Code: