Published:2009/7/13 20:26:00 Author:May | From:SeekIC

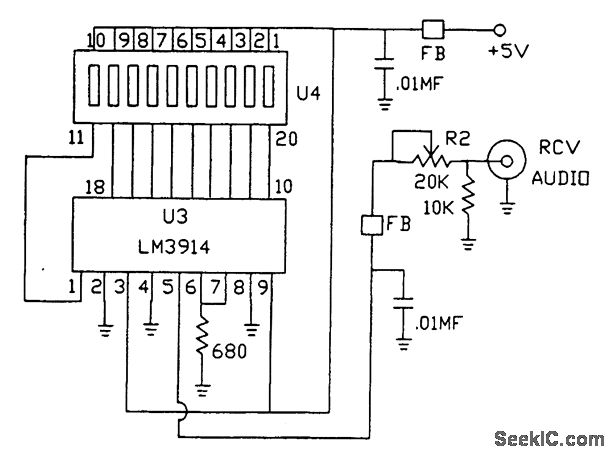
This bar-graph display monitors received audio level and can be useful for tuning, peaking, etc.
Reprinted Url Of This Article:
http://www.seekic.com/circuit_diagram/LED_and_Light_Circuit/BAR_GRAPH_DISPLAY.html
Print this Page | Comments | Reading(3)
Code: