Published:2009/7/2 0:31:00 Author:May | From:SeekIC

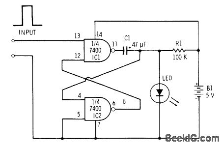
Two sections of 7400 quad NAND gate are connected as monostable MVBR having one stable state and one unstable state. Incoming pulse at pin 13 changes state of gate IC1. Since output of this gate goes to input of other gate, that also changes state. After interval determined by values of C1 and R1, gates automatically return to original states. LED flashes when input pulse is applied, for duration also determined by R1 or C1. If C1 is increased to 470μF, LED will stay on for over 1 s before fading out gradually as capacitor discharges.-F. M. Mints, Integrated Circuit Projects, Vol. 2, Radio Shack, Fort Worth, TX, 1977, 2nd Ed., p 19-26.
Reprinted Url Of This Article:
http://www.seekic.com/circuit_diagram/LED_and_Light_Circuit/BASIC_MONO_DRIVES_LED.html
Print this Page | Comments | Reading(3)
Code: