Published:2009/6/24 22:26:00 Author:May | From:SeekIC

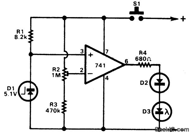
A 741 op amp is employed as a voltage comparator. The noninverting input is con-nected to zener reference source. Reference voltage is 5.IV. R2 is adjusted so that the vol-tage at the inverting input is half the supply voltage. When supply is higher than 10.2V, the LED will not light. When the supply falls just fractionally below the 10.2V level, the IC in-verting input will be slightly negative of the noninverting input, and the output will swing fully positive. The LED will light, indicating that the supply voltage has fallen to the preset threshold level. The LED can be made to light at other voltages by adjusting R2.
Reprinted Url Of This Article:
http://www.seekic.com/circuit_diagram/LED_and_Light_Circuit/BATTERY_CONDITION_INDICATOR.html
Print this Page | Comments | Reading(3)
Code: