Published:2009/6/17 2:48:00 Author:May | From:SeekIC

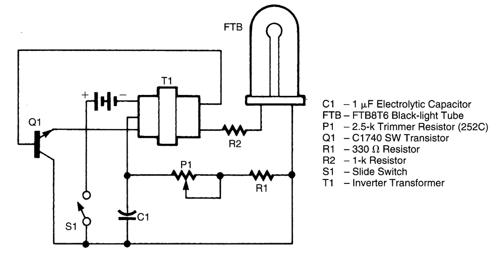
The battery-operated blagk light uses a āUā-shaped, unfiltered, black-light tube, which requires approximately 250 Vac to operate. To create the 250-Vac 6-V battery, the circuit uses a one-transis-tor blocking oscillator that drives a ferrite inverter transformer. A blocking oscillator tums itself off after one or more cycles. In this circuit, it consists of C1, P1, Q1, R1, and T1. The oscillations are sus-tained because the base of Q1 is connected to one of the windings on T1.Transformer T1 is a step-up transformer that consists of a ferrite core, which has a few tums on the primary and many turns on the secondary. The oscillating (ac) output of Q1 is fed to T1, which, because of its large tums ratio, converts the low-voltage signal into a high-voltage altemating cur-rent, which is coupled through resistor R2 to the black-light tube. Resistor R1 and trimmer resistor P1 limit the current flowing through the circuit. As the control on P1 is rotated, more current flows in the circuit, producing a brighter light output.
Reprinted Url Of This Article:
http://www.seekic.com/circuit_diagram/LED_and_Light_Circuit/BATTERY_OPERATED_BLACK_LIGHT.html
Print this Page | Comments | Reading(3)
Code: