Published:2009/6/30 22:55:00 Author:May | From:SeekIC

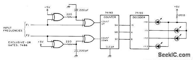
Apparent rotation of dot on four-LED display gives indication of beat frequency between ttnro tone oscillators.When F1 is greater than F2, dot rotates clockwise. When F1 is less than F2, dot rotates coun torclockwise. When F1 equals F2, dot does not move.-Circuits, 73Magazine, July 1977, p 35.
Reprinted Url Of This Article:
http://www.seekic.com/circuit_diagram/LED_and_Light_Circuit/BEAT_FREQUENCY_DISPLAY.html
Print this Page | Comments | Reading(3)
Code: