Published:2009/6/24 21:22:00 Author:May | From:SeekIC

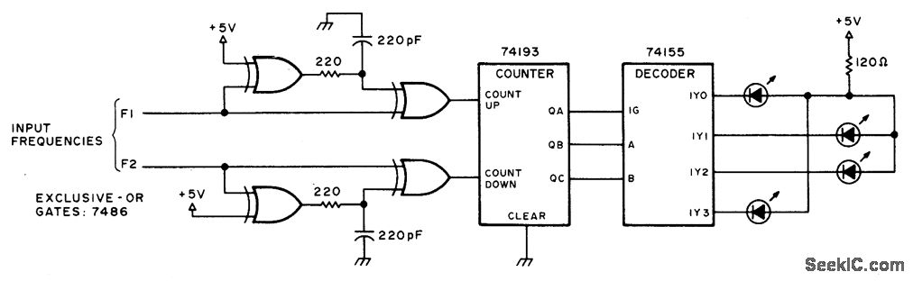
This circuit uses LEDs to display the beat frequency of two-tone oscillators. Only one LED is on at a time, and the apparent rotation of the dot is an exact indication of the best frequency. When f1 is greater than f2, a dot of light rotates clockwise; when f1 is less than f2, the dot rotates counterclockwise; and when f1 equals f2, there is no rotation.
Reprinted Url Of This Article:
http://www.seekic.com/circuit_diagram/LED_and_Light_Circuit/BEAT_FREQUENCY_INDICATOR.html
Print this Page | Comments | Reading(3)
Code: