Published:2009/6/16 1:48:00 Author:May | From:SeekIC

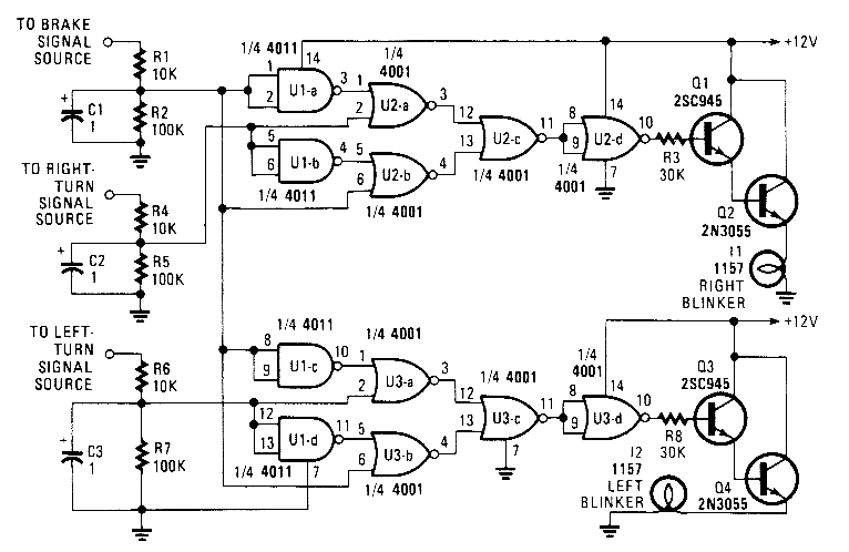
This circuit enables single-filament tail lights to serve as combination brake lights and turn signals.
Reprinted Url Of This Article:
http://www.seekic.com/circuit_diagram/LED_and_Light_Circuit/BRAKE_AND_TURN_SIGNAL_LIGHT_CIRCUIT.html
Print this Page | Comments | Reading(3)
Code: