Published:2013/7/22 20:12:00 Author:muriel | Keyword: Battery-powered , Night Lamp | From:SeekIC

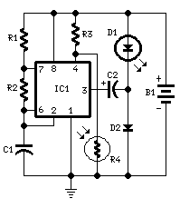
Parts:R1,R2 1M 1/4W ResistorsR3 47K 1/4W Resistor (optional: see Notes)R4 Photo resistor (any type, optional: see Notes)C1 100nF 63V Polyester CapacitorC2 220µF 25V Electrolytic CapacitorD1 LED Red 10mm. Ultra-bright (see Notes)D2 1N5819 40V 1A Schottky-barrier Diode (see Notes)IC1 7555 or TS555CN CMos Timer ICB1 1.5V Battery (AA or AAA cell etc.)
Device purpose:This circuit is usable as a Night Lamp when a wall mains socket is not available to plug-in an ever running small neon lamp device. In order to ensure minimum battery consumption, one 1.5V cell is used, and a simple voltage doubler drives a pulsating ultra-bright LED: current drawing is less than 500µA.An optional Photo resistor switches-off the circuit in daylight or when room lamps illuminate, allowing further current economy.This device will run for about 3 months continuously on an ordinary AA sized cell or for around 6 months on an alkaline type cell but, adding the Photo resistor circuitry, running time will be doubled or, very likely, triplicated.
Circuit operation:IC1 generates a square wave at about 4Hz frequency. C2 & D2 form a voltage doubler, necessary to raise the battery voltage to a peak value able to drive the LED.
Notes:IC1 must be a CMos type: only these devices can safely operate at 1.5V supply or less.If you are not needing Photo resistor operation, omit R3 & R4 and connect pin 4 of IC1 to positive supply.Ordinary LEDs can be used, but light intensity will be poor.An ordinary 1N4148 type diode can be used instead of the 1N5819 Schottky-barrier type diode, but LED intensity will be reduced due to the higher voltage drop.Any Schottky-barrier type diode can be used in place of the 1N5819.
Reprinted Url Of This Article:
http://www.seekic.com/circuit_diagram/LED_and_Light_Circuit/Battery_powered_Night_Lamp_1.html
Print this Page | Comments | Reading(3)
Code: