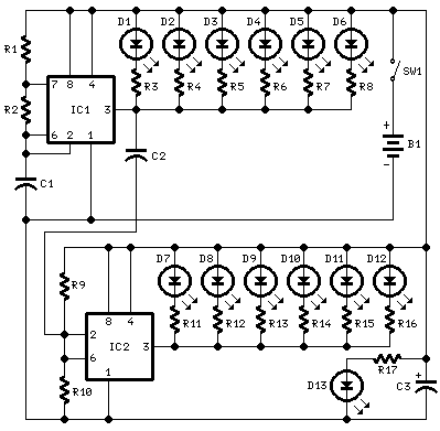
Published:2012/12/21 21:42:00 Author:muriel | Keyword: Bicycle, back , Safety Light | From:SeekIC

Reprinted Url Of This Article:
http://www.seekic.com/circuit_diagram/LED_and_Light_Circuit/Bicycle_back_Safety_Light.html
Print this Page | Comments | Reading(3)
Code: