Published:2013/7/23 21:05:00 Author:muriel | Keyword: Bicycle back, Safety Lights | From:SeekIC

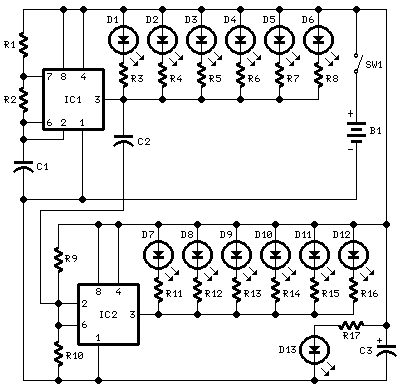
Parts:R1 10K 1/4W ResistorR2,R9,R10 100K 1/4W ResistorsR3-R8,R11-R16 10R 1/4W ResistorsR17 150R 1/4W ResistorC1 1µF 63V Polyester CapacitorC2 10nF 63V Polyester CapacitorC3 100µF 25V Electrolytic CapacitorD1-D13 Red LEDs 5mm. or bigger, high efficiencyIC1,IC2 7555 or TS555CN CMos Timer ICSW1 SPST Slider SwitchB1 3V Battery (2 AA 1.5V Cells in series)
Device purpose:This circuit has been designed to provide a clearly visible light, formed by 13 high efficiency flashing LEDs arranged in a pseudo-rotating order. Due to low voltage, low drain battery operation and small size, the device is suitable for mounting on bicycles as a back light, or to put on by jogger/walkers.
Circuit operation:IC1 is a CMos version of the 555 IC wired as an astable multivibrator generating a 50% duty-cycle square wave at approx. 4Hz frequency. At 3V supply, 555 output (pin 3) sinking current operation is far better than sourcing, then LED D1-D6 are connected to positive supply. In order to obtain an alternate flashing operation, a second 555 IC is provided, acting as a trigger plus inverter and driving LEDs D7-D12. D13 is permanently on.The LEDs are arranged in a two series display as shown below, with a center LED permanently on. This arrangement and the alternate flashing of the two series of LEDs provide a pseudo-rotating appearance.
Reprinted Url Of This Article:
http://www.seekic.com/circuit_diagram/LED_and_Light_Circuit/Bicycle_back_Safety_Lights.html
Print this Page | Comments | Reading(3)
Code: