Published:2013/7/22 20:05:00 Author:muriel | Keyword: Black Lights | From:SeekIC

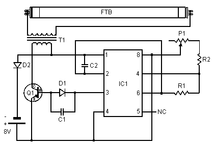
This circuit is a simple ultraviolate light that can be powered by a 6 volt battery or power supply that is capable of supplying 1 or more amps.
PartsC1 0.0047uf Mono CapacitorC2 0.1uf Disc CapacitorD1, D2 1N4007 DiodeFTB Filtered Blacklight TubeIC1 555 Timer ICP1 10k Trim PotQ1 TIP30 PNP Power TransistorR1 470 Ohm ResistorR2 270 Ohm ResistorT1 Medium Yellow Inverter TransformerMISC IC Socket, Heat Sink For Q1, Screw, Nut, Wire and PC Board
Notes:1. P1 changes brightness of the black light tube.
Reprinted Url Of This Article:
http://www.seekic.com/circuit_diagram/LED_and_Light_Circuit/Black_Lights.html
Print this Page | Comments | Reading(3)
Code: