Published:2009/6/15 23:21:00 Author:May | From:SeekIC

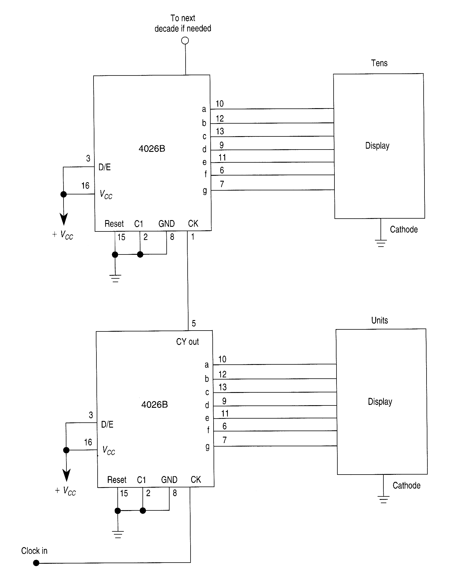
CASCADED 4026B COUNTER/DISPLAY DRIVER CIRCUIT
Reprinted Url Of This Article:
http://www.seekic.com/circuit_diagram/LED_and_Light_Circuit/CASCADED_4026B_COUNTER_DISPLAY_DRIVER_CIRCUIT.html
Print this Page | Comments | Reading(3)
Code: