Published:2011/5/23 21:25:00 Author:Michel | Keyword: CAT3200/CAT3200-5 Driver White Light Circuit | From:SeekIC

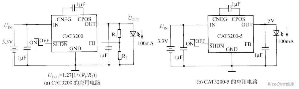
CAT3200 and cat3200-5 is boost converter of switching capacity and they output adjustable voltage with low noise.CAT3200-5 regular output voltage is 5V and it can use outter voltage to adjust output voltage.Their frequencies is 2MHz pao lotus pump and the broad input voltage(2.7-4.5V) can support the maximal output load,100mA which can help the device be used in batteries' power supply perfectly.Their shutoff control inputallows the device to enter power-fail mode and allows the mains current is under 1μA.When it shortcircuits or overloads,the device can get the upper limit turn current and overheating proctecion.
Reprinted Url Of This Article:
http://www.seekic.com/circuit_diagram/LED_and_Light_Circuit/CAT3200_CAT3200_5_Driver_White_Light_Circuit.html
Print this Page | Comments | Reading(3)
Code: