Published:2011/8/23 22:23:00 Author:Lucas | Keyword: white LED driver | From:SeekIC

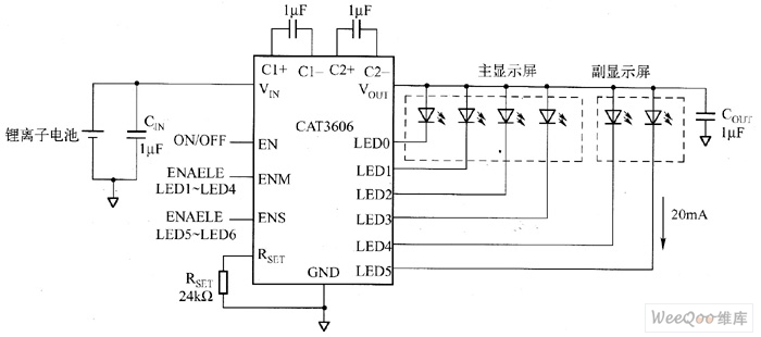
CAT3606 and lithium-ion battery system are used in conjunction to get 90% efficiency, the current of each output channel can be adjusted to match up to 6 white LEDs and make consistency brightness of control panel. Its unique fractional charge pump technology can automatically switch 1x mode to 1.5x mode to ensure that the entire life of the battery remains flicker-free white LED current. CAT3606 uses 16-pin 4mm × 4mm QFN package with a maximum height of 0.8mm, the product uses green packaging materials without halogen and lead, and it can reach R0HS requirements.
Reprinted Url Of This Article:
http://www.seekic.com/circuit_diagram/LED_and_Light_Circuit/CAT3606_white_LED_driver_circuit_diagram.html
Print this Page | Comments | Reading(3)
Code: