© 2008-2012 SeekIC.com Corp.All Rights Reserved.
Published:2009/7/1 2:04:00 Author:May | From:SeekIC

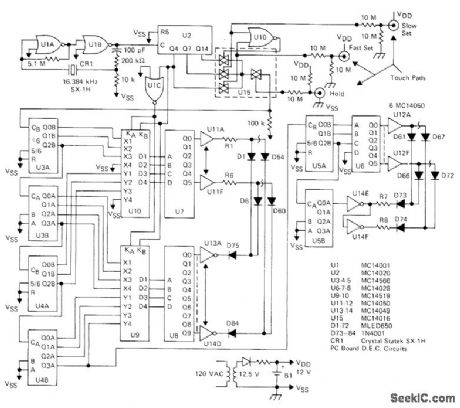
Arrangement of 60 LEDs sequencing in outer ring to indicate seconds and minutes, combined with 12 in inner ring to indicate hours, is driven by Motorola MC14566 CMOS industrial time-base generator.Time reference is 16.384-kHz crystal oscillator consisting of two NOR gates and Statek crystal.Reference frequency is divided by 214 in U2 to give 1-s pulse rate for driving accumulators U3A-U5B. Maximum error is 1 s per month. U3 counts seconds, U4 minutes, and U5 hours.Multiplexing is required because same set of 60 LEDs serves for minutes and seconds. Fast and slow touch pads eliminate need for switches when setting time. Single 12-V nicad battery provides backup for AC line failure.-A. Mou-ton, The LED Circular Timepiece, Motorola, Phoenix, AZ, 1975. EB-41.
Reprinted Url Of This Article:
http://www.seekic.com/circuit_diagram/LED_and_Light_Circuit/CIRCULAR_LED_ARRAY.html
Print this Page | Comments | Reading(3)
Response in 12 hours
© 2008-2012 SeekIC.com Corp.All Rights Reserved.
Code: