Published:2009/7/13 22:13:00 Author:May | From:SeekIC

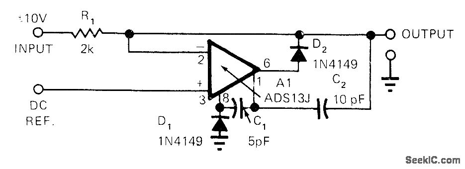
Simple circuit limits excursion of DC input voltage to level precisely equal to DC reference input voltage. When referenceis 0 V, circuit can be used as half-wave rectifier up to 100 kHz. Feedback overcomes breakover characteristics of D2, to provide sharp clipping at levels from mitlivolts to volts. At 10 kHz, with D1 omitted, range of levels is 70 mVRMS to 7 VRMS. With D1, circuit is useful at levels down to 0.3 VRMS at 100 kHz.-R. S. Burwen, Precision Clipper Operates from Millivolts to Volts, EDN Magazine, Dec. 1, 1972, p 57 and 59.
Reprinted Url Of This Article:
http://www.seekic.com/circuit_diagram/LED_and_Light_Circuit/CLIPPING_OPAMP.html
Print this Page | Comments | Reading(3)
Code: