Published:2009/7/5 22:58:00 Author:May | From:SeekIC

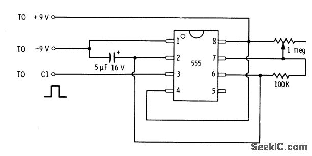
555 timer connected as astable VBR generates series of timing pulses at rate determinod by value of capacitor and settifig of 1-megohm pot Provides automatic string of input pulses for driving flip-flop of dual flasher,Pulse output oestoinput capacitor C1 offlip-flop,-F.M.Mims, Integrated Circuit ,vol,5, Radio Shack,Fort Worth,TX,1977,2nd Ed,p 30-37.
Reprinted Url Of This Article:
http://www.seekic.com/circuit_diagram/LED_and_Light_Circuit/CLOCK_DRIVE_FOR_FLIP_FLOP_FLASHER.html
Print this Page | Comments | Reading(3)
Code: