© 2008-2012 SeekIC.com Corp.All Rights Reserved.
Published:2009/6/29 2:24:00 Author:May | From:SeekIC

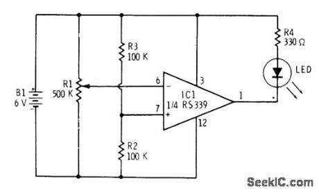
Simple classroom demonstrator of comparator action uses one section of RS339 quad comparator. Reference voltage applied to positive input of comparator is half of supply voltage. R1 serves as voltage divider applying variable voltage to inverting input. When voltage applied to pin 6 by R1 exceeds reference voltage on pin 1, comparator switches on and LED lights. R4 is chosen for use with Radio Shack 276-041 red LED.—F.M.Mims, Integrated Circuit Projects, Vol. 6, Radio Shack, Fort Worth TX, 1977, p 33-41.
Reprinted Url Of This Article:
http://www.seekic.com/circuit_diagram/LED_and_Light_Circuit/COMPARATOR_DRIVES_LED.html
Print this Page | Comments | Reading(3)
Response in 12 hours
© 2008-2012 SeekIC.com Corp.All Rights Reserved.
Code: