Published:2009/7/20 7:48:00 Author:Jessie | From:SeekIC



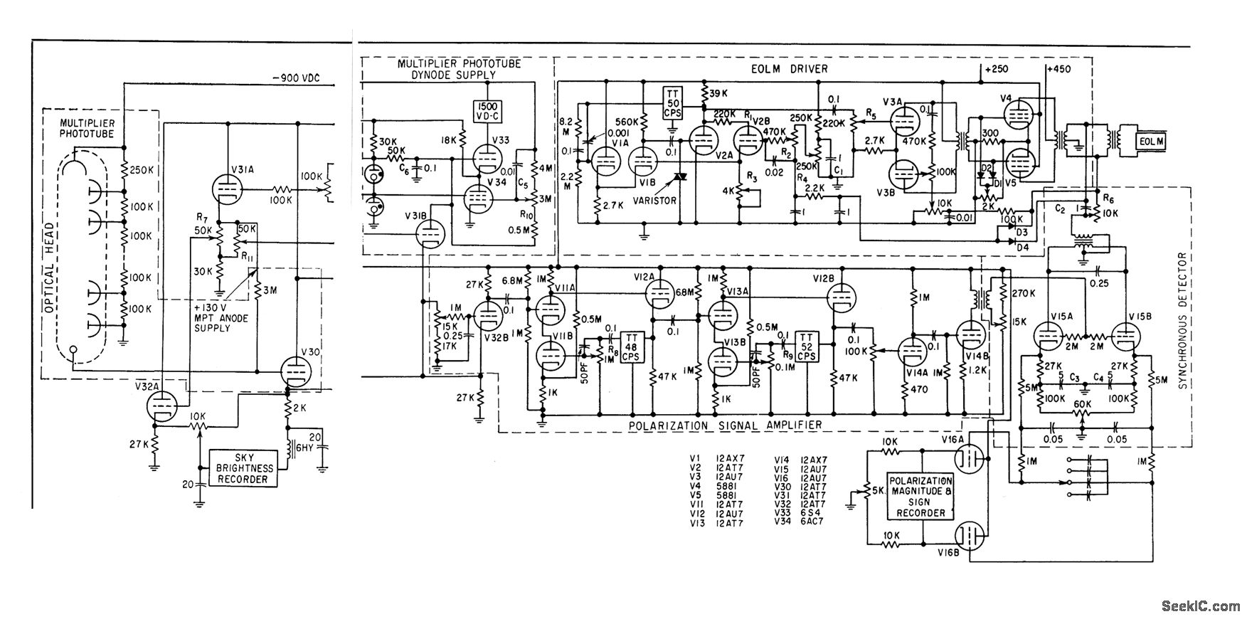
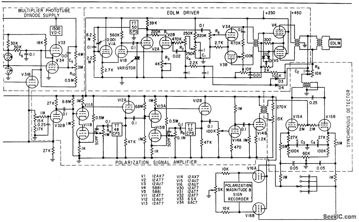
Uses polarized-light technique and closely controlled narrowband circuit to detect, observe, and measure otherwise invisible solar phenomenon. Circuit shows multiplier tube in optical head, with dynode supply, electro-optical light modulator (EOLM) driver amplifiers, polarization signal amplifier, and synchronous detector.-R. H. Lee and J. G. Fullerton, K-Coronameter Observes the Sun's Electron Corona, Electronics, 34:47, p 58-62.
Reprinted Url Of This Article:
http://www.seekic.com/circuit_diagram/LED_and_Light_Circuit/CORONAMETER.html
Print this Page | Comments | Reading(3)
Code: