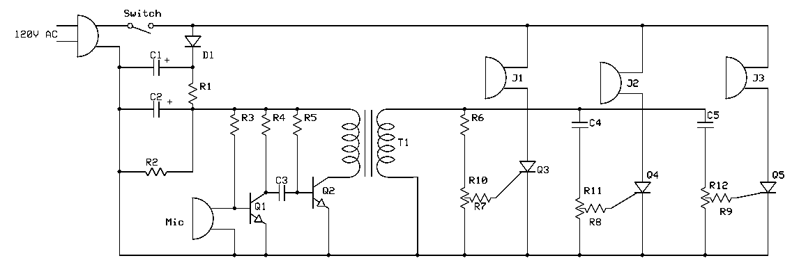
Published:2012/12/10 0:52:00 Author:muriel | Keyword: Colour (Sound) Organ | From:SeekIC

Reprinted Url Of This Article:
http://www.seekic.com/circuit_diagram/LED_and_Light_Circuit/Colour_Sound_Organ.html
Print this Page | Comments | Reading(3)
Code: