Published:2011/11/4 2:18:00 Author:May | Keyword: Construction indicator light | From:SeekIC

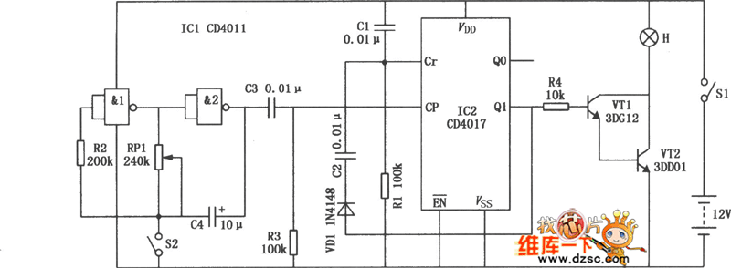
Construction indicator light circuit is shown in the diagram. It needs artificially power, after circuit geting power, theindicator light flashes without breaking toremind people topay attentionon safety.
Reprinted Url Of This Article:
http://www.seekic.com/circuit_diagram/LED_and_Light_Circuit/Construction_indicator_light_circuit_diagram_CD4017-CD4011.html
Print this Page | Comments | Reading(3)
Code: