Published:2009/7/15 22:20:00 Author:Jessie | From:SeekIC

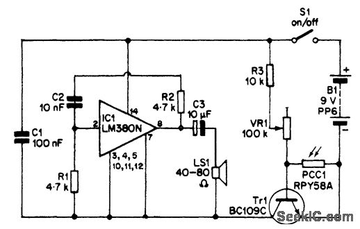
This alarm senses darkness. Photocell PCC1 is normally irradiated with light and has a low resistance. In darkness, the resistance increases, and enough bias is available to turn on Tr1, activating the oscillator circuit consisting of IC1 and associated components. This produces a tone in speaker LS1.
Reprinted Url Of This Article:
http://www.seekic.com/circuit_diagram/LED_and_Light_Circuit/DARL_ALARM.html
Print this Page | Comments | Reading(3)
Code: