Published:2009/7/15 4:36:00 Author:Jessie | From:SeekIC

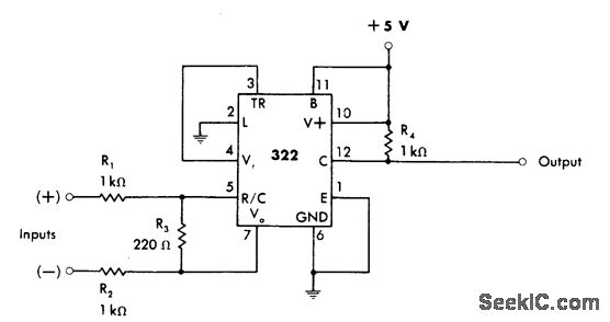
Responds to balanced-input drive signals fed to both comparator inputs of 322. Output is undisturbed even with up to 1 V of common-mode noise on input lines. TTL-compatible output is in phase with positive input. Overall delay is about 1 μs.-W. G. Jung, IC Timer Cookbook, Howard W. Sams, Indianapolis, IN, 1977, p 153-155.
Reprinted Url Of This Article:
http://www.seekic.com/circuit_diagram/LED_and_Light_Circuit/DIFFERENTIAL_LINE_RECEIVER.html
Print this Page | Comments | Reading(3)
Code: