Published:2009/7/6 20:08:00 Author:May | From:SeekIC

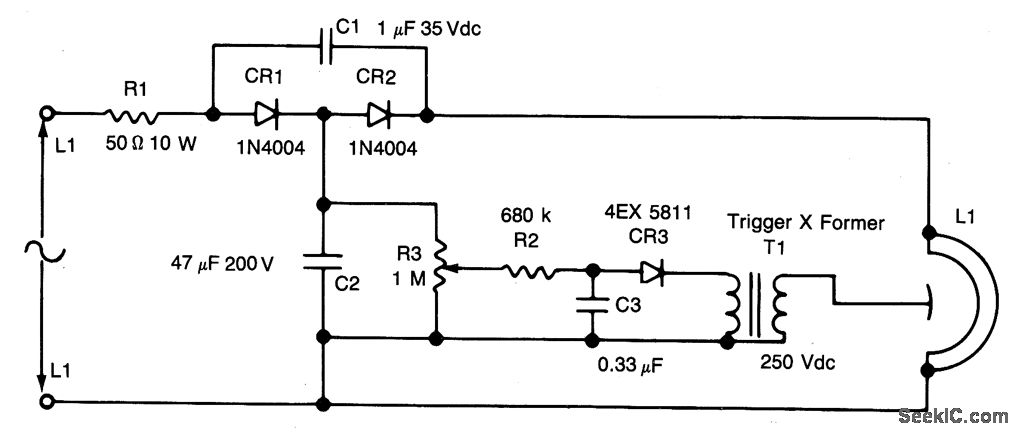
This circuit uses a voltage doubler CR1 and CR2 to obtain about 280 V dc across C1. C2 and R3 form a voltage divider to obtain a dc voltage to change C3 thru R2. When CR3 fires, a high voltage is generated in T1, firing L1.
Reprinted Url Of This Article:
http://www.seekic.com/circuit_diagram/LED_and_Light_Circuit/DISCO_STROBE_LIGHT.html
Print this Page | Comments | Reading(3)
Code: