Published:2009/7/14 5:06:00 Author:May | From:SeekIC

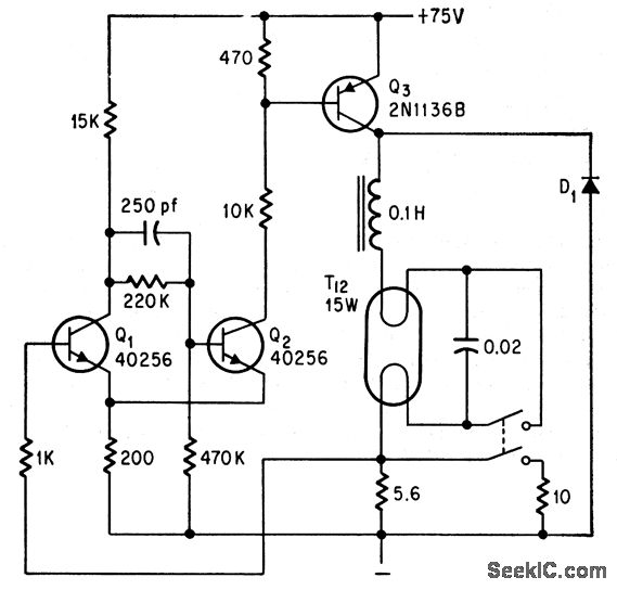
Lamp operates directly from d-c supply, without a-c conversion. Transistors form constant-current source that controls lamp current. Q3 is controlled by Schmitt trigger Q1.Q2. When lamp current exceeds preset value, voltage drop across 5.6-ohm resistor turns on Q1, thereby turning off Q2 and Q3. When lamp current falls, Q3 comes on again. To start, pushbutton closes circuit through lamp heaters and shunts 5.6-ohm resistor to give faster heating. When button is released, voltage surge caused by series inductor ignites lamp. Control circuit then varies lamp current 25% above and below its average value at 1-kc rate. Regulator losses are only 3 w.-D. B. Hoisington, Direct Current Regulator Drives Fluorescent Lamps, Electronics, 39:17, p 94-95.
Reprinted Url Of This Article:
http://www.seekic.com/circuit_diagram/LED_and_Light_Circuit/D_C_SUPPLY_FOR_FLUOURESCENT_LAMPS.html
Print this Page | Comments | Reading(3)
Code: