About SeekIC | Services | Payment | Advertisements service | Contact Us | Links
© 2008-2012 SeekIC.com Corp.All Rights Reserved.
Published:2011/4/18 10:08:00 Author:Nicole | Keyword: Delay light, power switch | From:SeekIC

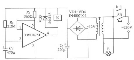
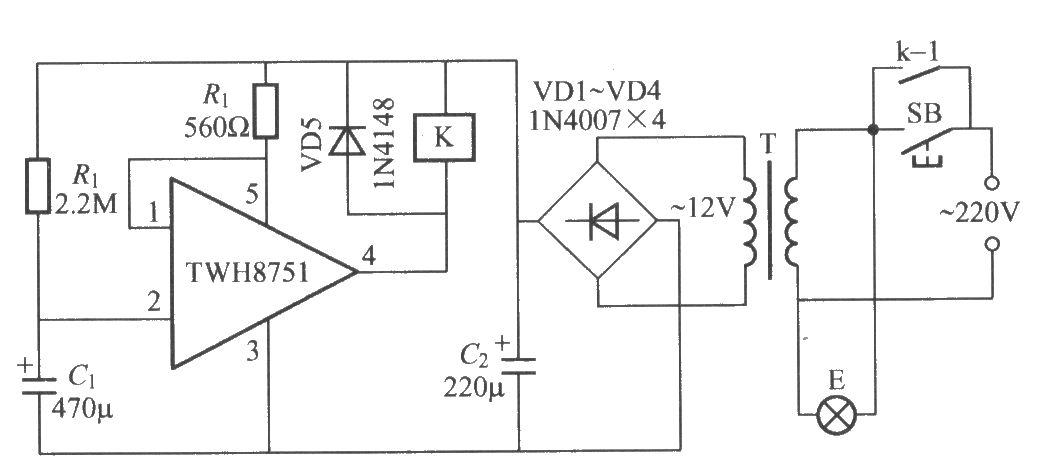
The delay time is decided by the charge time constant of R1, C1.
Reprinted Url Of This Article:
http://www.seekic.com/circuit_diagram/LED_and_Light_Circuit/Delay_light_circuit_with_power_switch_integrated_circuit2.html
Print this Page | Comments | Reading(3)
Response in 12 hours
© 2008-2012 SeekIC.com Corp.All Rights Reserved.
Code: