Published:2011/7/19 22:49:00 Author:zj | Keyword: Digital level display | From:SeekIC

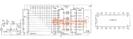
As shown in the figue thedigital level display candisplay audio amplifier output volume levels with digital display. Due to the adoption of a digital display tube,it displays0 ~ 9 levels.
Reprinted Url Of This Article:
http://www.seekic.com/circuit_diagram/LED_and_Light_Circuit/Digital_level_display__CD40147_CD4511_.html
Print this Page | Comments | Reading(3)
Code: