Published:2012/7/27 1:15:00 Author:Ecco | Keyword: Double-key, touching lamp , switch | From:SeekIC

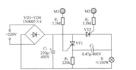
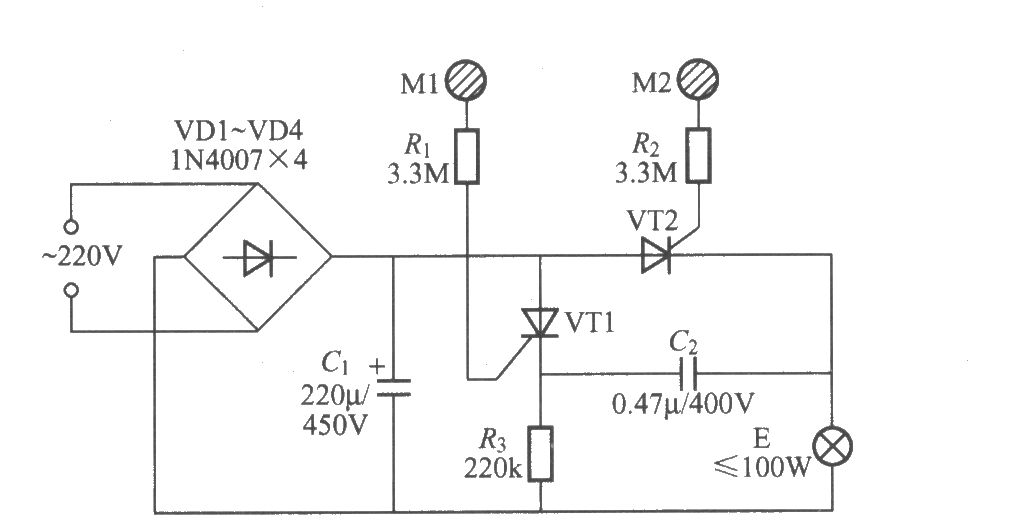
In the Figure , VT1, VT2 can use 2N6565, BT169 small plastic unidirectional thyristor. In this circuit, it you choose the appropriate resistance of R3, whne the lights are turning off, after the manpower leave the M1, VT1 can be turned off automatically because the anode currentflowing through the the VT1is too small, thereforeto save power consumption of the circuit.
Reprinted Url Of This Article:
http://www.seekic.com/circuit_diagram/LED_and_Light_Circuit/Double_key_touching_lamp_switch_circuit_9.html
Print this Page | Comments | Reading(3)
Code: